Grundfos

Grundfos ALPHA2 GO cirkulationspumpe 25-40 - 180 mm

Grundfos ALPHA2 GO cirkulationspumpe 25-40 - 180 mmGrundfos ALPHA2 GO cirkulationspumpe 25-40 - 180 mm
Antal
Fragt: 65,-
2.566,-
VVS-nummer:380475240
Varenummer:93074225
Leveringstid:1-2 hverdage
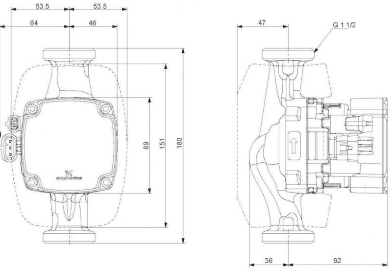
Tilslutning:DN 25 - 1½" rørgevind
Kapacitet:4,0 meter vandsøjle
Indbygningsmål:180 mm
Fri fragt fra 3.995,-

Grundfos ALPHA2 GO cirkulationspumpe 25-40 - 180 mm

  • Tilslutnings gevind: 1 1/2 "
  • Løftehøjde max: 4 m
  • Indbygningsmål: 180 mm

Grundfos ALPHA2 GO: En helt ny måde at arbejde med varmeanlæg på.

 

Med ALPHA2 GO kan installatøren nu udskifte størstedelen af alle stand-alone cirkulationspumper og næsten 70% af de pumper, der er integreret i fjernvarmeunits, gasfyr og varmepumper efter 2015.

Nem udskiftning af integrerede UPM3 og UPM4-cirkulationspumper ALPHA2 GO kommunikerer direkte med Grundfos GO-appen og kopierer ydeevnen fra den integrerede pumpe, der udskiftes, til den nye pumpe.

Guidet Opsætning: Banebrydende ny funktion i Grundfos GO-appen sørger for en præcis idriftsættelse i den aktuelle installation og med størst mulig energieffektivitet. Det er vigtigt, da 95% af en cirkulationspumpens miljøbelastning stammer fra driften.

Replace-funktion: Finder lynhurtigt den bedste udskiftningpumpe.

Tryktab: ALPHA2 GO måler modstanden og beregner varmetabet i boligen, så du altid får den bedste opsætning.

Kopierer OEM-pumpens sprog: Grundfos GO-appen aflæser den gamle OEM-pumpes ’sprog’ og kopierer de oprindelige indstillinger, så den nye ALPHA2 GO kører lige så optimalt.

 
VIND gavekort på 1000 kr!
Tilmeld dig vores nyhedsbrev. Vinder for februar: Bjarke Jensen
Navn: 
E-mail: